服务热线:
185 5046 4426
首页
产品列表
T型骨架油封
S型骨架油封
V型骨架油封
K型骨架油封
D型骨架油封
H型骨架油封
R型骨架油封
W型骨架油封
盒式组合油封
O型圈密封圈
工业传动带
生产技术
设计与研发
常见问题
橡胶的选择
生产流程
储存与安装
行业应用
伍得资讯
关于我们
联系我们
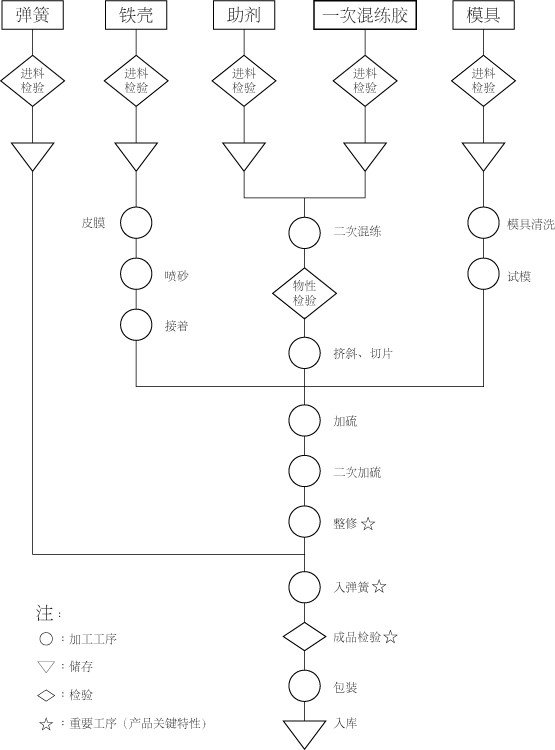
油封生产流程
产品列表
伍得资讯
关于我们
联系我们
Copyright © 苏州伍得机械配件有限公司 版权所有
苏ICP备2021030374号-1
本站使用
百度智能门户
搭建
管理登录
苏ICP备2021030374号-1
微信咨询
服务热线
服务热线
18550464426
返回顶部